ROCKY ANGLE SEAT VALVE

ROCKY-ICHIMARU社が提供するアングルシートバルブは、50A(2")~200A(8")までの 自動弁を標準化しており、コイルスクレーパーによるセルフクリーニング機構、適切なバランスのシール構造、 独自のドレンポート機能により駆動部へのリーク水を防止しています。また、バルブ本体(配管した状態)から駆動部(シリンダー部)を取り外すことができるため、メンテンナンスも容易に行えます。

特 徴

ロッキーアングルシートバルブ特徴

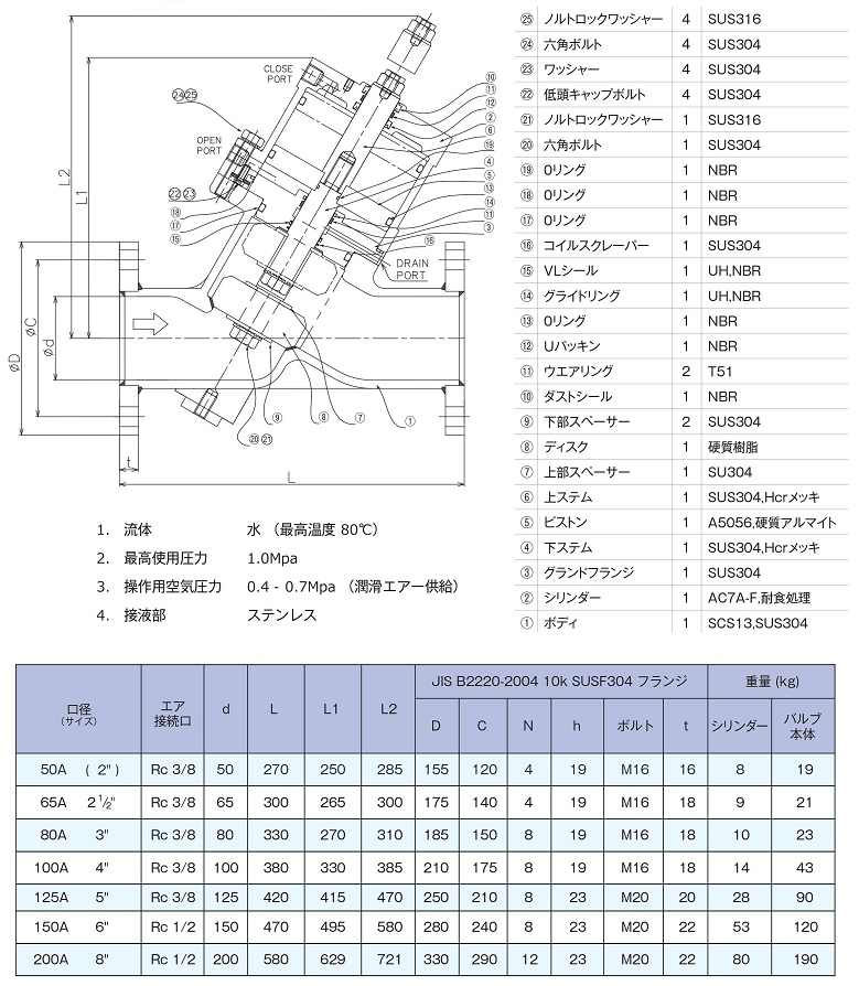
構造・主要部寸法図一覧

ロッキーアングルシートバルブ寸法図一覧

PAGE TOP