Products

Applicable industry: Machine tools (Bearing-less type) ESX20M-13060, 61, 62

Applicable industry: Machine tools (Bearing-less type) ESX20M-13060, 61, 62

Another customer of the business

Rotary Joint

Features

  • Easy install rotor
  • Enables smooth movement of the stationary seal
  • Superior sealing and durability performance

Fluid

Fluid *Coolant Oil mist Dry air
Pressure (MPa)
14 1 N/A
Pressure (psi) 2,030 145
Pressure (bar) 140 10


Note)

*Coolant

・ In case using ESX20M-13060, pressure is 7 MPa (1,015 psi, 70 bar).

Operating specification

Specification Flow rate (Coolant) Max. speed Max. Temp
Below 28 L/min Max. 24,000 min-1 Max. 60 ℃
Below 7.39 gal(US)/min Max. 24,000 rpm Max. 140 ℉

Installation direction

Direction Horizontal Vertical (Rotating part is upper side) Vertical (Rotating part is lower side)

Installation specification

Specification Rotation without fluid

Min flow rate to operate seal
(In case fluid is coolant)

*Thrust loading to spindle side
Over 10 L/min 875 N
Over 2.64 gal(US)/min


Note)

*Thrust loading to spindle side

01. Thrust loading is directly proportional to fluid pressure.
02. In case fluid pressure is 7 MPa (1,015 psi, 70 bar).

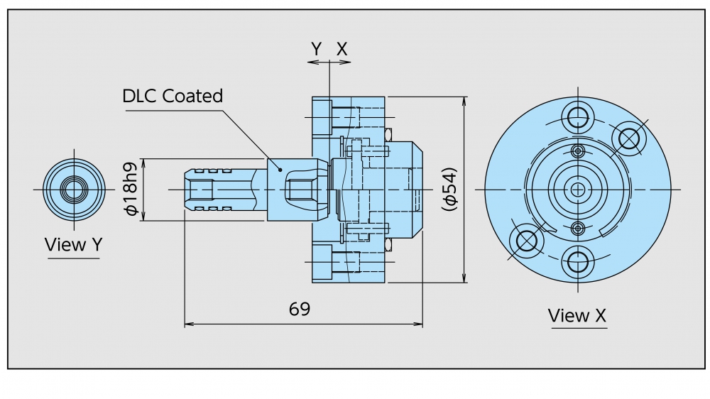
Outline drawings and Installation dimensions

  • ESX20M-13060

ESX20M-13060 Outline drawings

  • ESX20M-13061

ESX20M-13061 Outline drawings

  • ESX20M-13062

ESX20M-13062 Outline drawings

Catalog download

Rotary Joint

PAGE TOP